Система контроля протечки воды Neptun Aquacontrol 220B 1/2
Система зищиты от потопа Нептун Aquacontrol используется для защиты помещения от протечки воды, размер резьбы кранов в комлекте набора 1/2 дюйма.
Если начинает протекать вода, то при попадании воды на датчик, срабатывает система антипотоп, защита от протечки воды, которая автоматически подает сигнал и краны перекрывают подачу водоснабжения на контролере загоратся красный светодиод и звучит сигнал тревоги.
Комплектация системы защиты от протечек
- Основной модуль - 1 шт.
- Электрокраны (Китай) - 2 шт.
- Датчики протечки воды SW007 - 2 шт.
- Производится в (Турции)
- Диаметр резьбы кранов - 1/2
Нептун Aquacontrol "1/2" система защиты от протечек заблокирует подачу воды до установления причин протечки, а также сообщит сигналом. Купить систему контроля протечки воды Нептун Aquacontrol с доставкой по Киеву и Украине Вы можете в нашем интернет-магазине.
Модуль управления Neptun Base имеет следующие функции:

- автоматический проворот подключенных шаровых кранов с электроприводом 1 раз в месяц, для исключения закисания кранов.
- автоматическое отключение питания с шаровых кранов с электроприводом через 120 сек после срабатывания
Напряжение на краны подается только во время их перекрытия!
Модуль управления Neptun включается нажатием на кнопку, которая расположена в нижней части корпуса модуля. После активации на передней панели загорится зеленый светодиод. Если имеется протечка воды и сработал хотя бы один из датчиков, тогда:
- красный светодиод загорится на контрольном модуле;
- будет звучать звуковой сигнал;
- шаровой кран с приводом блокирует подачу воды.
Краны с электроприводом MK 1/2 дюйма

Компактный шаровой кран с электроприводом Neptun MK можно использовать в системах контроля протечки воды, системах отопления, вентиляторных блоках, тепловых насосах или в установках с автоматически регулируемой холодной и горячей водой и т.д.
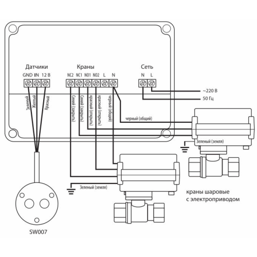
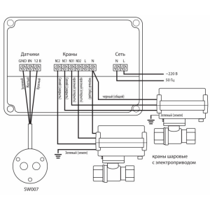
Схема подключения системы защиты от потопа

Рекомендуем устанавливать модуль управления Neptun Base: в месте, где возможно легкое обслуживание и где владельцы могут быть легко предупреждены в случае утечки воды.
Напряжение питания контроллера BASE - должно обеспечиваться от электрощитка и через УЗО (30 мА). Подключите к контрольному модулю Neptun Base провода питания и нейтрали в соответствии со схемой подключения.
Заземление сервоприводов выполнять - вне корпуса модуля управления. Для подключения двух или более датчиков контроля протечки воды, или трех или более шаровых кранов с приводом, используйте параллельную систему подключения, с внешними разъемами.
Технические характеристики системы Нептун Bugatti Base 1/2
- Напряжение питания - 230 В ~ ± 10 В, 50 Гц
- Максимальный ток нагрузки - 5 A
- Потребляемая мощность - не более 1,5 Вт
- Время срабатывания - не более 2 с
- Время непрерывной работы - неограниченно
- Степень защиты - IP54
- Размеры - 115×105×40 мм
- Масса - не более 250 г
- Максимальное количество подключенных датчиков контроля утечки воды SW007, SW005 20 шт.
- Максимальное количество подключенных шаровых кранов с приводом 6 шт.
- Срок службы не менее 7 лет
Комплект поставки Neptun Bugatti Base 220B 1/2:
- модуль управления "Neptun Base" - 1 шт.
- датчик контроля протечки воды SW007 - 2 шт.
- кран шаровой с электроприводом серии MK (Китай) - 2 шт.
Возможные варианты оплаты
1. Безналичная оплата на расчетный счет с выпиской налоговой накладной с НДС
2. Оплата на счет ФОП ПриватБанк, Монобанк в формате IBAN
3. Оплата в офисе
4. Оплата при доставке и получении товара (наложенный платеж)
* Наложенный платеж на Новой Почте, дополнительно оплачивается пересылка денег 2% от суммы + 20 грн за услугу















