Терморегулятор механический для теплого пола Castle AC309H черный
CASTLE AC309H — это аналоговый, накладной комнатный терморегулятор со встроенным в корпус датчиком температуры, который можно установить непосредственно на стену, без заглубления и установки в подрозетник.
Терморегулятор имеет толщину до 2 см, и хотя он полностью накладной, он не выглядит толстым и массивным. Расстояние между крепежными винтами — 60 мм, и это позволяет прикрепить терморегулятор не только на стену, но и на монтажную коробку или подрозетник. Соответственно, он полностью перекрывает отверстие подрозетника. Что является довольно удобным.
Castle AC309 работает от встроенного датчика воздуха, но в комплекте также идет выносной датчик пола, который используется только в качестве защиты от перегрева. То есть терморегулятор будет всегда работать от встроенного датчика воздуха, а от датчика пола сработает только тогда и выключится, когда на нем (на датчике) будет 60°C.
Также этот терморегулятор имеет на боковой панели переключатель, который позволяет ему работать в инверсном режиме, то есть с приборами, которые работают на охлаждение, например с кондиционерами.
В левом верхнем углу есть скрытый светодиод, который показывает, что идет процесс нагрева. Чтобы снять лицевую панель, достаточно поддеть ее в паз плоской отверткой.
Плата выглядит следующим образом.

Терморегулятор имеет на лицевой панели матовое покрытие и выглядит достаточно свежо и симпатично. Боковая панель наоборот — глянцевая.
Для регулирования температуры имеет круглую ручку (поворотный переключатель), в нижнем положении с позицией OFF (терморегулятор выключается). Подходит для управления электрическим отоплением, электрическим теплым полом, термоприводом или водяным тепловым насосом и имеет переключатель в режим работы для приборов охлаждения (кондиционеры).
Характеристики термостата AC309
- Тип монтажа — на стену
- Рабочее напряжение сети — 230 В, 50 Гц
- Потребление энергии — <=1 Вт
- Максимальная нагрузка — 3000 Вт
- Имеет встроенный внутренний датчик — 10 кОм, NTC
- Комплектуется выносным внешним датчиком — 3 м B=3950 10K@25
- Диапазон поддерживаемых температур — от +5°C до 35°C
- Диапазон окружающей среды — от 0°C до 50°C
- Класс защиты от влаги и пыли — IP20
- Материал корпуса — пластик ABS+PC
- Толщина терморегулятора — 3 см
- Размеры передней лицевой панели — 96х96 мм
- Размеры задней панели — 86х86 мм
Режимы работы терморегулятора AC309
Слева на терморегуляторе есть кнопка-переключатель, если она установлена вверх (☀), терморегулятор работает в режиме обогрева. Для работы на охлаждение опустите переключатель вниз в положение (❄).
Перед началом работы выберите нужный вам режим.

Терморегулятор измеряет температуру по встроенному в корпус датчику воздуха (находится слева на боковой стороне корпуса), также терморегулятор в комплекте имеет выносной внешний датчик, который используется только для защиты от высокой температуры (более 60°C).
Защита от высокой температуры
Режим обогрева (переключатель установлен вверх, обозначение - ☀):
Защита от высокой температуры работает только при установленном внешнем датчике. Если он установлен, и температура пола будет ниже установленной температуры на терморегуляторе, он включится на обогрев. Терморегулятор будет работать и измерять температуру по встроенному датчику воздуха.
Но при достижении температуры на внешнем датчике 60°C, терморегулятор выключается, пока температура не станет меньше 60°C, независимо от того, какая температура на внутреннем датчике.
Функция защиты от высоких температур будет особенно полезна при использовании терморегулятора с инфракрасными пленками, при размещении выносного датчика непосредственно на нагревательной пленке. Температура на нагревательной пленке может достигать высоких температур, в том числе 60°C и более, при этом температура в комнате может быть еще недостаточно высокой.
Если внешний датчик отсутствует, температура в помещении будет ниже установленной температуры, терморегулятор работает в обычном режиме.
Режим охлаждения (переключатель в положении обозначение - ❄):
В режиме охлаждения терморегулятор работает без внешнего датчика, только по встроенному датчику воздуха, поэтому мы рекомендуем не устанавливать внешний датчик при использовании терморегулятора для приборов охлаждения, таких как кондиционер.
Если внешний датчик отсутствует, температура в помещении будет выше установленной температуры, терморегулятор включит прибор охлаждения. Для обоих режимов (обогрев и охлаждение) терморегулятор может работать без выносного датчика, тогда функция защиты от высокой температуры не будет работать, а терморегулятор будет работать только по встроенному в корпус датчику воздуха.
Работа светового индикатора
В режиме нагрева/охлаждения светодиод постоянно горит и выключается, когда терморегулятор не работает. Когда, в режиме обогрева, значение температуры на внешнем датчике составляет 60℃, срабатывает защита от высокой температуры, красный светодиод начинает мигать с интервалом 200 мс, пока температура не упадет ниже 60℃.
Если внешний датчик не найден, при включении питания индикатор мигает с интервалом 500 мс в течение 15 секунд.
Видеообзор терморегулятора AC309
Процесс установки

- Внимательно прочитайте инструкцию, чтобы не ошибиться при установке терморегулятора.
- Не устанавливайте терморегулятор или датчик рядом с источником тепла, так как это повлияет на точность работы прибора.
- Не нажимайте сильно на корпус, так как это может привести к поломке корпуса.
- Термостат предназначен для поверхностного монтажа на стену.
Монтаж терморегулятора на стену
- С помощью маленькой плоской отвертки аккуратно подденьте и отсоедините переднюю лицевую панель от задней части терморегулятора (в направлении снизу вверх). Отверстия для установки отвертки находятся внизу терморегулятора.
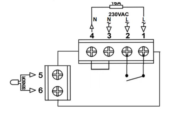
- Подключите провода питания, провода теплого пола и датчика, как показано на схеме. Выберите место на стене для установки. Надежно прикрепите заднюю часть терморегулятора к стене с помощью дюбеля.
- Присоедините лицевую панель к уже установленной задней части терморегулятора.
Схема подключения терморегулятора AC309

Самовывоз в Киеве - Бесплатно
Возможен по адресу Петропавловская Борщаговка, ул. Соборная 10А (напротив Обойного рынка) Будмагазин на карте
Возможен сегодня до 17-00, или в любой рабочий день с 9-00 до 17-00
Доставка товара Новая Почта, УкрПочта
Акционная стоимость доставки всего 1 грн.
В рабочие дни, при заказе до 15-00 отправка в тот же день, или на следующий рабочий день после заказа товараВозможные варианты оплаты
1. Безналичная оплата на расчетный счет с выпиской налоговой накладной с НДС
2. Оплата на счет ФОП ПриватБанк, Монобанк в формате IBAN
3. Оплата в офисе
4. Оплата при доставке и получении товара (наложенный платеж)
* Наложенный платеж на Новой Почте, дополнительно оплачивается пересылка денег 2% от суммы + 20 грн за услугу


















